查看: 110|回复: 5

[宜宾城事] 观江玻璃竟“瘦身”

[复制链接]

87

主题

84

回帖

107

积分

初级会员

积分
107
发表于 2025-12-4 14:28:10 | 显示全部楼层 |阅读模式
曾经听说“接房焦心”,不料宜宾观江府业主遭遇玻璃“瘦身”窘境。

“宜宾观江府”发布《项目介绍》显示,观江府项目由眉山发展控股集团有限公司开发,雄踞四川首个省级新区——宜宾三江新区,项目具有得天独厚的地理位置优势,毗邻约1800亩森林公园,南向直面长江约700m江岸线,周边配套醇熟,临长江景观大道等城市主干道,紧邻王府井百货,5公里内学府云集,以全维配套演绎都市繁华生活圈。观江府项目占地面积约84亩,容积率2.5,绿地率35%,由建面约127-175㎡江景跃层组成,每户均赠送阳台。外立面采用现代美学风格,以水为纲,将柔美水漾线条融入建筑之中,外立面材质则用石材、多彩真石漆、双色中空L0W-E玻璃等多种材料组成,达到实用与美学的绝妙平衡。

一、宣传事项清清楚楚

2020-2021年期间,宜宾观江府小区业主在宜宾川瑞达房地产开发有限公司开发的楼盘(宜宾领地·观江府)购买住房,其宣传售卖房屋玻璃为双层中空Low-E玻璃:①在售楼部样板间(包括视频宣传片),宣传其玻璃全为双层中空Low-E玻璃,②在“宜宾观江府”微信公众号宣传其为双色中空Low-E玻璃,③在抖音“宜宾观江府”(抖音号:ybgjf0833246444)宣传其玻璃为双层中空Low-E玻璃,该玻璃在隔音、隔热和防紫外线方面,表现都非常好。

d1.webp

二、方案变更不明不白

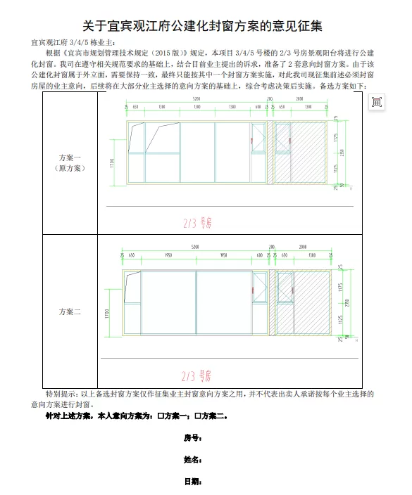
2023年2月至3月,宜宾观江府销售关于封窗事宜准备了2套意向封窗方案征集业主意向,并制定有“意见征集(345号楼)”,如下图。其销售宣传两种方案在玻璃方面并没有差别,只是封窗样式尺寸有区别。并且在“意见征集(345号楼)”上并未说明方案二玻璃是单层钢化玻璃。其宣称后续将在大部分业主选择的意向方案的基础上,综合考虑决策后实施。但却没有将综合考虑后的决策告知购房者,擅自将销售宣传承诺的双色中空L0W-E玻璃更换为单层玻璃。

d2.webp

三、玻璃安装区别对待

2023年12月,在宜宾观江府交房时,4、5号楼靠挂弓山一侧128平方米户型(紧邻交通道路),外立面玻璃从宣传的“双层中空Low-E玻璃”变为“单层钢化玻璃”(楼下客厅玻璃、楼上跃层卧室玻璃),单层钢化玻璃在隔音、隔热、安全性和防紫外线方面,均比不上双层中空Low-E玻璃。该减配行为严重侵害了60多户购房者的权益。让人难以理解的是,大家买房(4、5号楼)都是花同样的钱,同一个朝向,不同楼栋,同一户型,不同位置,开发商居然采取区别性对待,宜宾观江府小区其他楼栋户型(除4、5号楼以外)均未出现这种情况。

d3.webp

d4.webp

四、听信宣传利益受损

4、5号楼业主表示,当初宜宾观江府宣传的景观阳台采用双层中空Low-E玻璃进行公建化封窗,其对购买者的购买决策有很大影响,如果不是承诺双层中空Low-E玻璃进行公建化封窗,就不会选择购买该小区房屋。且安装单层玻璃安全性远不如双层玻璃,4、5号楼靠马路朝向楼下为人行道,如果以后单层玻璃因发生破裂、爆炸、脱落等问题产生的安全责任谁来承担?经走访了解市场行情价格,如果业主自己出钱将“单层钢化玻璃”更换为“双层中空Low-E玻璃”,预计将花费5万左右。

2023年12月交房起,4、5号楼业主多次和宜宾观江府开发商沟通无果。

希望眉山发展控股集团有限公司守住四川省诚信企业”招牌(主体信用等级AA+),协调宜宾观江府项目负责人妥善解决玻璃“瘦身”问题,不能仅为降低成本采取减配措施,不遵守宣传事项承诺,还给消费者带来巨大经济损失。





免责声明:本文由网友发表或转载,不代表宜宾泡菜坛的观点和立场,不对其真实合法性负责.如有异议或侵权,请与本网站联系删除!
回复

使用道具 举报

119

主题

111

回帖

174

积分

初级会员

积分
174
发表于 2025-12-4 14:28:38 | 显示全部楼层
中空LOW-E玻璃与单玻璃相差太大,开发商不出面解决。试问,封窗玻璃是属于玻璃幕墙吗?玻璃幕墙难道可以是单玻璃吗?设计的强条里面允许玻璃幕墙采用单玻璃来封窗,可以不用考虑用户的安全吗?
回复

使用道具 举报

87

主题

84

回帖

107

积分

初级会员

积分
107
 楼主| 发表于 2025-12-4 14:28:44 | 显示全部楼层
中空LOW-E玻璃与单玻璃相差太大,开发商不出面解决。试问,封窗玻璃是属于玻璃幕墙吗?玻璃幕墙难道可以是单玻璃吗?设计的强条里面允许玻璃幕墙采用单玻璃来封窗,可以不用考虑用户的安全吗?
回复

使用道具 举报

119

主题

111

回帖

174

积分

初级会员

积分
174
发表于 2025-12-4 14:29:21 | 显示全部楼层
眉山观江府虚假宣传,中空LOW-E玻璃改为单玻璃,开发商不出面解决。
回复

使用道具 举报

87

主题

84

回帖

107

积分

初级会员

积分
107
 楼主| 发表于 2025-12-4 14:29:57 | 显示全部楼层
现在居然还有这种”偷梁换柱“操作,看来国企背景开发商也不靠谱,买房有风险,下手需谨慎。
回复

使用道具 举报

119

主题

111

回帖

174

积分

初级会员

积分
174
发表于 2025-12-4 14:30:05 | 显示全部楼层
这里面有猫腻,不知道是房管局的那位大神验收的房子?为啥子是合格的?五粮液喝多了有点迷糊吗?政府部门就是这个样子监管的吗?
回复

使用道具 举报

您需要登录后才可以回帖 登录 | 立即注册

本版积分规则

QQ|手机版|小黑屋|宜宾泡菜坛 ( 蜀ICP备12031032号-6 )|网站地图川公网安备 51030002000201号

GMT+8, 2026-2-10 00:12 , Processed in 0.062799 second(s), 6 queries , Redis On.

Powered by Discuz! X3.5

© 2016-2021 Comsenz Inc.

快速回复 返回顶部 返回列表